patented product of no shutting
擁有多項技術發明專利
專業從事紅外熱成像系統研發生產
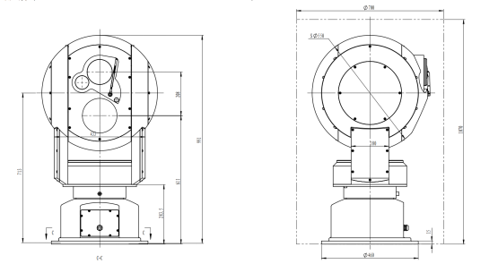
ZS-D6600 制冷型雙光譜球形光電整機,采用長焦距透霧鏡頭,高清攝像機,超長焦連續變焦紅外鏡頭,制冷型高靈敏度探測器,高精度球形轉臺通過科學手段集合而成,是針對邊防、海防、艦載、森林防火等開發的遠距離晝夜監控產品,具有高精度定位、抗強風、抗腐蝕、抗寒、防抖、透霧等先進技術優勢,可滿足在惡劣環境下24小時全天候監控。
特點/性能 | ZS-D6600 |
紅外熱成像參數 | |
傳感器類型 | 非制冷紅外微測輻射熱計 |
分辨率/像元間距 | 384x288 |
靈敏度 | ≤50mk |
幀頻 | 25HZ |
響應波段 | 8~14μm |
鏡頭焦距 | 支持最大75mm電調鏡頭,可根據需求定制 |
調焦方式 | 電動,支持自動聚焦 |
數字變倍 | 1~8倍連續變倍 |
熱像算法 | IED(圖像細節增強),HDR(寬動態算法:海天模式、天地模式) 移動偵測、入侵報警、目標增強以及移動軌跡等(需定制) 高溫追蹤、超溫預警 |
智能分析 | 支持全局、點、線、框等多種測溫方式 |
高溫報警 | 高溫追蹤、超溫預警、測溫功能 |
測溫方式 | 支持全局、點、線、框等多種測溫方式 |
可見光參數 | |
成像器件 | 1/1.8" CMOS |
有效像素 | 1920(H)X1080(V) |
鏡頭焦距 | 15~775mm,52倍光學變焦 |
水平視場角 | 29.1°~0.57° (廣角~ 望遠) |
光圈范圍 | F2.8~F6.5 |
最低照度 | 彩色:0.05Lux@(F1.2,AGCON) |
視頻壓縮標準 | 支持 H.265/H.264/H.264H/MJPEG |
視頻壓縮輸出碼率 | 32Kbps~16Mbps |
視頻瀏覽 | 支持IE瀏覽器、PC客戶端 |
整機參數 | |
手動轉速 | 水平(0.5°~400°/s)/ 垂直(0.5°~200°/s) |
旋轉角度 | 水平360°連續旋轉;垂直180°(-90°~+90°) |
預置點數量 | 256個,支持斷電記憶功能 |
巡航掃描 | 6條 |
雨刷 | 選配 |
陀螺穩定 | 雙軸 |
穩態精度 | 0.1度 |
最大載體跟隨速度 | 100°/s |
平臺兼容 | 支持ONVIF、GB/T 28181,便于平臺接入 |
網絡協議 | IPv4, HTTP, FTP, RTSP,DNS, NTP, RTP, TCP,UDP, IGMP, ICMP, ARP |
網絡接口 | 一個RJ45 10M/100M自適應以太網口 |
音頻輸入輸出 | 支持 |
激光測距 | 選配(激光測距距離1000米;測距精度:1m) |
串口通信 | RS422 |
報警輸入輸出 | 1路 |
工作溫度范圍 | -40°C~+70°C |
濕度 | ≤90%RH |
輸入電壓/功耗 | DC24V,≤60W |
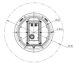
尺寸 | Φ265mm x 425mm |
重量 | 100kg |
防護等級 | IP67 |

